Резервуары и металлоконструкции
от завода-производителя

Доставка по всей России!

slide-s02

Ресивер аргона

Ресивер аргона, назначение, описание, свойства

Ресивер аргона представляет собой специальную металлическую емкость, используемую для накопления, организации хранения газа, находящегося под давлением и дозированной выдачи. Контроль изготовления изделий регламентируется в соответствии с Техусловиями № 3615_001-24009276_2015.

Завод Резервуаров и Негабаритных Металлоконструкций специализируется на изготовлении и прямых поставках емкостного оборудования, в том числе – ресиверов для хранения аргона в сжатом состоянии. Все аппараты, спроектированные и реализованные компанией, успешно эксплуатируются на предприятиях самого широкого профиля.

Стандартизация

Емкость, изготовленная из металла и используемая при сборе и хранении сжатого аргона, проектируется и выпускается в строгом соответствии с рядом нормативно-технических документов:

Критерий

Документ

Номер

Изготовление, общие требования

ТУ

3615-001-24009276

Требования к сейсмической устойчивости

ГОСТ

30546.1(2,3)-98

Климатическое исполнение

-/-

15150

Материал изготовления

-/-

5520

Марки стали

ГОСТ Р

52857.1

Обеспечение безопасности оборудования

(в т.ч., работающего под давлением)

ТР ТС

010/2011

 

 

 

032/2-13

 

Сфера применения

  • Металлургия, металлообработка.
  • Проведение электросварочных работ, монтаже металлоконструкций.
  • Изготовление и обслуживание электровакуумной техники.
  • Изготовление микро и интеграционных схем.
  • Комплектование техники и оборудования повышенной точности

Данные ресиверы активно используют (благодаря выгодной цене на газ) в составе технологических линий, где в процессе работы необходимо создавать и поддерживать инерционные условия.

 

Общие сведения

Ресиверы, предназначенные для хранения аргона, представляют собой стальные емкостные аппараты цилиндрической формы (могут устанавливаться как в вертикальном, так и в горизонтальном положении). Характерная особенность изделий – днища, имеющие эллиптическую форму. Установка корпуса осуществляется посредством опоры «юбочного» типа или на стандартных металлических лапках.

 

Основные тех. параметры

Характеристика

Ед. изм.

Показатель

Вместимость

м³

От до 200

Предназначенная для хранения среда

-

Газ - аргон

Установка

-

Над уровнем грунта

Давление в системе (рабочее)

МПа

Не более 1,2

Т рабочей среды

°С

От -60 до +300

Эксплуатационная Т

°С

От -50 до +55

Материал для изготовления

сталь

09Г2С, 12Х18Н10Т, 10Х17Н13М2Т, 16ГС

Исполнение с учетом климатических особенностей

 

У

УХЛ

Т

Уровень сейсмоопасности

балл

До 9

Эксплуатационный срок службы

лет

Не менее 20

 

Основные параметры ресиверов

Объем изделий от 0,5 до 8 м³:

Типоразмер (В)

V nom

м³

P, МПа

D, м

S, мм

Н, м

H, м

L, м

0,5

0,5

0,9-1,5

0,6

6

2

1,5

0,4

1

1

0,8

8

2,3

1,7

0,5

1,6

1,6

0,10

10

2,3

1,6

0,6

2

2

0,10

10

2,9

2,2

0,61

3,2

3,2

0,12

12

3,1

2,3

0,72

4

4

0,12

12

3,9

3

0,72

8

8

0,16

16

4,4

3,3

0,94

 

 

Объем изделий от 10 до 50 м³:

Типоразмер (В)

V nom

м³

P, МПа

D, м

S, мм

Н, м

H, м

L, м

10

10

0,9-1,5

1,6

8 … 12

5,5

4,4

0,94

16

16

2

10 … 14

5,5

4,2

1,2

20

20

2

10 … 14

6,9

5,4

1,2

25

25

2,2

10 … 16

7,2

5,6

1,3

32

32

2,4

12 … 16

7,8

6

1,4

40

40

2,4

12 … 16

9,8

8

1,4

50

50

2,4

12 … 16

11,8

10

1,4

 

Таблица штуцеров

Назначение

Параметр

Входной

50;

100;

200;

250;

300;

350

выходной

50;

100;

200;

250;

300;

350

Для установки предохранительного клапана

25;

50;

80;

100;

150

Сброс конденсата

 

 

 

 

50

Воздух

Дренажная система

Регулировка

Установка датчика давления

Манометр в машинном отделении

Лучок

80/450

 

Завод РиНМ обеспечивает поставку ресиверов аргона по ценам производителей, изготовленные из стали высокого качества по типовым чертежам и схемам, а также – с учетом индивидуальных требований клиента и специфики используемого объекта!

Преимущества

  • Цены от производителя

  • Гарантия качества

  • Комплектация объектов под ключ

  • Производим монтаж/демонтаж

  • Оперативная доставка в любой регион

  • Быстрые сроки поставки,
    четкое соблюдение сроков

  • Персональный подход

  • Гарантийное обслуживание

  • Разработка КМД от 2-х
    рабочих дней

  • Составление КП от 15 минут

Подготовим коммерческое предложение
с учетом ваших индивидуальных технических требований

Скачать опросный лист

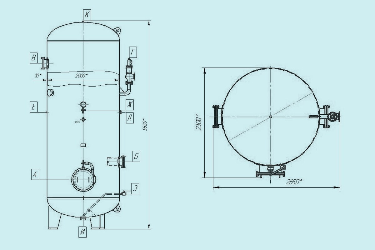
Технические характеристики

ОБОЗНАЧЕНИЕ

НАЗНАЧЕНИЕ

А

люк-лаз

Б

для входа

В

для выхода

Г

для предохранительного клапана

Д

для регулятора производительности

Е

для манометра

Ж

для манометра

З

для слива конденсата

И

дренажный

К

резервный

 

Чертеж

Чертеж Ресивер аргона

Доставка

Чтобы избавить Вас от необходимости поиска логистической компании, мы готовы взять на себя работу по осуществлению доставки оборудования на Ваш объект.

Преимущества осуществления доставки при помощи нашей компании:

  • Работа только с проверенными временем подрядчиками
  • Четкое соблюдение сроков
  • Разумные цены
  • При необходимости, груз можно застраховать
  • Стоимость услуги рассчитывается индивидуально, в зависимости от региона доставки и объема груза.

Свяжитесь с нашим менеджером по телефону или через форму сайта и мы подготовим для Вас расчет.

Скачать опросный лист